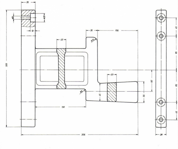
Vierkantholmgriff
Vierkantholmgriff aus Polypropylen für die chemische Industrie sowie die Nahrungsmittel und Getränke Industrie - universell einsetzbar.
Materialeigenschaften
- physiologisch einwandfrei und unbedenklich
- völlig geschmack- und geruchlos
- weitgehend beständig gegen Alkohole, Säuren, Salzlösungen und ähnliche Füllgüter.
- temperaturbeständig bis ca. 90° C (120° C)
- alterungs- und fäulnisbeständig
- durch glatte Oberfläche leicht zu reinigen
- unzerbrechlich, steif, schlagzäh